CENA
Dostępna ilość
1
OZNACZENIA
Nazwa
FREZ SKL. GLOWICA FI 20,0 KX° 6/30 Z3 M10 IK MSX
Kod ELTECH
SUM-253-MSX06020M10Z3
Kod kreskowy
2010001567936
LOGISTYKA
Jednostka podstawowa
szt
INFORMACJE DODATKOWE
OPIS PRODUKTU
Wielofunkcyjny frez, który znacznie poprawia efektywność dzięki różnorodnemu oprzyrządowaniu, umożliwiając obróbkę zgrubną z dużym posuwem.

Zastosowanie:
-Płaska powierzchnia / dłutowanie

Przeznaczenie:
-Zwykła stal, stal węglowa, stal stopowa / stal wstępnie hartowana, stal o wysokiej twardości, stal nierdzewna, żeliwo

Wykończenie:
-Zgrubne / średnie

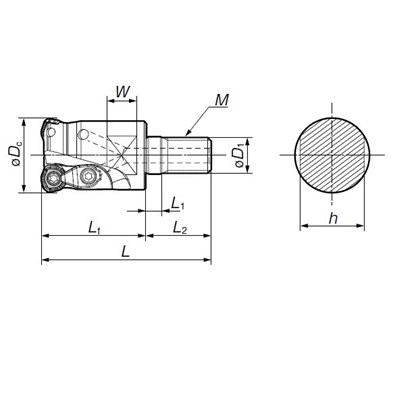
Dane techniczne:
-Liczba rowków : 3
-Średnica rowka D ?): 20
-Długość całkowita (L) (mm): 49
-Długość(l1)(mm) : 30
-Maksymalna głębokość cięcia (Ad) (mm): 1
ATRYBUTY PRODUKTU
Marka: SUMITOMO
ZAMIENNIKI
© SolEx B2B