CENA
Dostępna ilość
BRAK
OZNACZENIA
Nazwa
OPRAWKA 1124-30 P.
Kod ELTECH
BBI-341124030200
Kod kreskowy
5907412219646
LOGISTYKA
Jednostka podstawowa
szt
INFORMACJE DODATKOWE
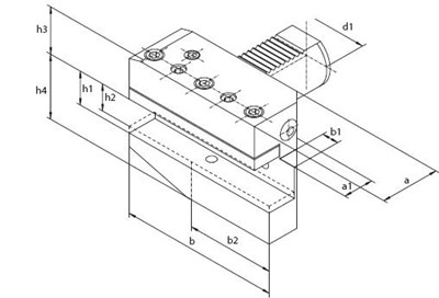
OPIS PRODUKTU
Oprawki do noży tokarskich

Dane techniczne:

- Typ: 1124P
- Rozmiar: 30P
- Odmiana oprawki: B5
- Skierowanie ostrza w oprawce/głowicy: Długość oprawki: Długa
- Długość oprawki: Długa
- Jednostka miary: sztuka

[Link do katalogu producenta >>](http://www.bison-bial.pl/public/data/resource/upload/00131/130844/bison-2018-pl-5.pdf)
ATRYBUTY PRODUKTU
Marka: BISON
ZAMIENNIKI
© SolEx B2B