HOME
PRODUKTY
PROMOCJE
KONTAKT
LOGOWANIE
Kategorie:
10.POZOSTAŁE
CENA
Dostępna ilość
53
dodaj do koszyka
OZNACZENIA
Nazwa
SRUBA ZAMKOWA M8X160 DIN 603 PN 82406 Kl. 4.8 OCYNK Dł. gw.60mm
Kod ELTECH
AS-4068160
Kod kreskowy
2010001458487
LOGISTYKA
Jednostka podstawowa
szt
INFORMACJE DODATKOWE
OPIS PRODUKTU
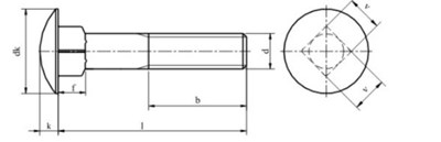
KL.4.8 DIN 603 PN-M 82406
Pokrycie-Ocynk
d - średnica śruby:8
L - długość śruby:160
b - długość gwintowana:60
D - szerokość łebka:20
k - grubość łebka:5
S - szerokość zamka:8
Klasa własności mechanicznych:4.8
ZAMIENNIKI
©
SolEx B2B