HOME
PRODUKTY
PROMOCJE
KONTAKT
LOGOWANIE
Kategorie:
04.NARZĘDZIA ŚCIERNE
\
05.NARZĘDZIA ŚCIERNE SPOJONE
\
01.SPOIWO CERAMICZNE
\
11.TARCZE TYP 5
CENA
Dostępna ilość
BRAK
dodaj do koszyka
OZNACZENIA
Nazwa
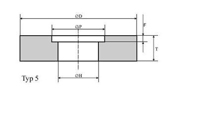
TARCZA T5-A- 100/32/32 99A 60K /60x10/ BIALA
Kod ELTECH
GRO-T5A-1003232B60K (10)
Kod kreskowy
2010000438756
LOGISTYKA
Jednostka podstawowa
szt
INFORMACJE DODATKOWE
ATRYBUTY PRODUKTU
Marka:
FTŚ GRODZISK
ZAMIENNIKI
©
SolEx B2B