HOME
PRODUKTY
PROMOCJE
KONTAKT
LOGOWANIE
Kategorie:
04.NARZĘDZIA ŚCIERNE
\
05.NARZĘDZIA ŚCIERNE SPOJONE
\
01.SPOIWO CERAMICZNE
\
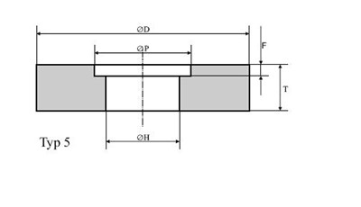
11.TARCZE TYP 5
CENA
Dostępna ilość
BRAK
dodaj do koszyka
OZNACZENIA
Nazwa
TARCZA T5-A- 40/40/13 99A 60K /20x20/ BIALA
Kod ELTECH
GRO-V5/40X40X13/20X20/99A60K/BI (30)
Kod kreskowy
2010000065990
LOGISTYKA
Jednostka podstawowa
szt
INFORMACJE DODATKOWE
ATRYBUTY PRODUKTU
Marka:
FTŚ GRODZISK
ZAMIENNIKI
©
SolEx B2B