HOME
PRODUKTY
PROMOCJE
KONTAKT
LOGOWANIE
Kategorie:
04.NARZĘDZIA ŚCIERNE
\
05.NARZĘDZIA ŚCIERNE SPOJONE
\
01.SPOIWO CERAMICZNE
\
11.TARCZE TYP 5
CENA
Dostępna ilość
BRAK
dodaj do koszyka
OZNACZENIA
Nazwa
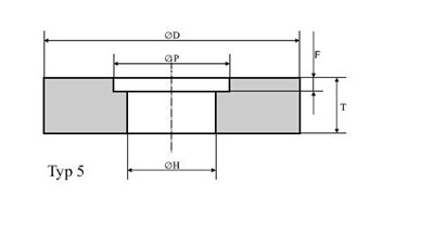
TARCZA T5-A- 50/50/16 99A 60M /25x25/ BIALA
Kod ELTECH
GRO-V5/50X50X16/25X25/99A60M/BI (20)
Kod kreskowy
2010000144039
LOGISTYKA
Jednostka podstawowa
szt
INFORMACJE DODATKOWE
ATRYBUTY PRODUKTU
Marka:
FTŚ GRODZISK
ZAMIENNIKI
©
SolEx B2B